cfghy666春风阁最新消息,凤楼阁交友平台,贵阳品茶喝茶工作室,ypl论坛

热线电话13916299677
图文传真021-66773338
电子邮箱sale@cnspump.com

产品简介


SZX系列不锈钢喷射泵为自吸轻型便装式射流离心泵,其过流部件采用不锈钢和高强度复合塑料制成,具有体积小、重量轻、外观美观、流道光滑、效率高,运行平稳安装方便等特点。

喷射泵应用范围

适用于输送稀薄、干净、不含固体颗粒和纤维物的弱酸弱、不结晶、性能接近于水的液体。例如:蓄水池蓄水、家庭供水系统、输水系统、增压系统。

产品优势


  • 自吸式射流离心泵,出水压力高,自吸性能好;
  • 泵体及油封座等采用不锈钢材料,射流器采用高强度耐磨塑料制造,输送不同水质具有较长的使用寿命;
  • 自带螺纹接头,安装快捷方便;
  • 采用风冷式电机,单相内置过热过载?;ぷ爸?,操作安全可靠;
  • 结构紧凑,活动部件少,坚固耐用且易于维护及维修。

性能参数本数据仅供参考,请以实际订货为准!


型号规格 额定流量 m?/h 额定扬程 m 额定功率 kw 额定电压 v 同步转速 r/min 配管内径 mm 材质
SZX0.37 1.5 16 0.37 220 3000 25 304
SZX0.55 2.0 20 0.55 220 3000 25 304
SZX0.75 2.0 25 0.75 220/380 3000 25 304
SZX1.1 3.0 25 1.1 220/380 3000 25 304

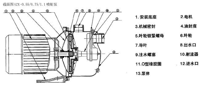
结构图纸


SZX不锈钢自吸喷射泵 SZX不锈钢自吸喷射泵

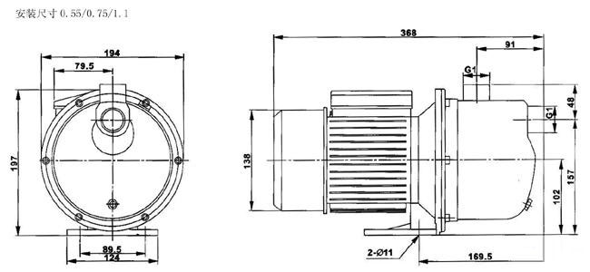
安装尺寸本数据仅供参考,请以实际订货为准!


SZX不锈钢自吸喷射泵 SZX-0.55/0.75/1.1安装尺寸

SZX不锈钢自吸喷射泵

上一产品:
下一产品: